
Напольный конвейерный запайщик Audion D552 AH
Audion D552AH – напольный конвейерный запайщик непрерывного типа.
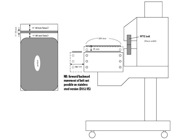
Audion D552AH — напольный запайщик непрерывного типа. Данная модель может работать с большими готовыми пакетами, которые подаются на конвейер горизонтально. Оснащена конвейером с раздельной регулировкой по высоте и возможностью изменения скорости для синхронизации с работой запайщика. Преимуществами напольного конвейерного запайщика пакетов являются:
- поворот на 30 градусов вниз относительно горизонтального положения,
- возможность регулировки по высоте,
- возможность выдвинуть конвейер на 70 мм при запайке длинных пакетов,
- цифровая панель управления,
- функция автоматического охлаждения.
Благодаря PTFE-ремням напольный запайщик пакетов может работать с разными материалами — целлофаном, бумагой, алюминием, ПЭ, полипропиленом и др. За счет мобильного исполнения оборудование можно без труда перемещать в пределах производственной площадки.
Опционально доступны установка датера и исполнение из нержавеющей стали. Чтобы получить подробную информацию о модели Audion D552AH и ее возможностях, позвоните по указанному телефону.

| Модель | D 552 AH | ||
|---|---|---|---|
|
Ширина шва, мм |
10 | ||
|
Расстояние от шва до верха пакета, мм |
До 40 | ||
|
Скорость запайки, м/мин. |
Регулируемая, до 10м/мин | ||
|
Размеры конвейера, Д х Ш, мм |
1450 х 250 | ||
|
Электропитание, В/Гц/ф |
220/50/1 |
||
|
Потребляемая мощность, Вт |
1100 |
||
|
Вес, кг |
126 |
||
|
Габаритные размеры, Д х Ш х В, мм |
1464 x 607 x 1555 | ||
Опции:
Датер – 507 ЕВРО
Исполнение из нержавеющей стали(версия D 552AНS)


| Основные | |
|---|---|
| Производитель | Гидропривод |
- Цена: Цену уточняйте
Частное унитарное предприятие «ЮЛС БАЙ»
Республика Беларусь, Минский р-н, 220036, г.Минск пр-д Бетонный д.19А оф. 117
Дата регистрации в Торговом реестре/Реестре бытовых услуг: Не подлежит занесению в реестр
Номер в Торговом реестре/Реестре бытовых услуг: Не подлежит занесению в реестр, Республика Беларусь
УНП: 193650172
Регистрационный орган: Минский горисполком
Дата регистрации компании: 04.10.2022
Местонахождение книги замечаний и предложений: г.Минск Бетонный пр-д 19А оф. 117
Режим работы:
| День | Время работы |
|---|---|
| Понедельник | 08:00-18:00 |
| Вторник | 08:00-18:00 |
| Среда | 08:00-18:00 |
| Четверг | 08:00-18:00 |
| Пятница | 08:00-18:00 |
| Суббота | 10:00-18:00 |
| Воскресенье | Выходной |